NaO Design.....
___________________________
The NaO Mini (Discontinued)
The NaO Mini combines a small dipole midrange system with stereo, powered sealed
box woofers in an adjustable alignment designed to reduce the low frequency variability
of the system response to room resonances. At the same time the ability to reproduce
deep, authoritative bass in a compact package is retained. The driver complement
consists of the SEAS 27TDFC tweeter and the Peerless 7" Exclusive midwoofer in a
standalone MTM panel. The woofer system consists of one 10" Peerless XXLS sealed
box woofer per channel with each channel powered by an MCM 200 watt plate amplifier.
The system is designed to be cost effective yet delivers highend performance. The Mini
panel system can also be combined with an existing subwoofer or other powered woofer
systems with only a slight modification of the active circuits*. The Mini is a hybrid system
using a passive crossover between the midwoofers and the tweeter in conjunction with
an active equalization/crossover unit between the panels and the woofers. Nominal panel
sensitivity is better than 90dB/w into 8 ohms. The system must be driven with the active
crossover unit between the preamplifier output and the power amplifier for the panels.
Below, the response of the Mini without subwoofer is presented.

Mini panel
frequency
response. The black
curve indicates the
response of the
panel when used as
a stand alone
speaker.
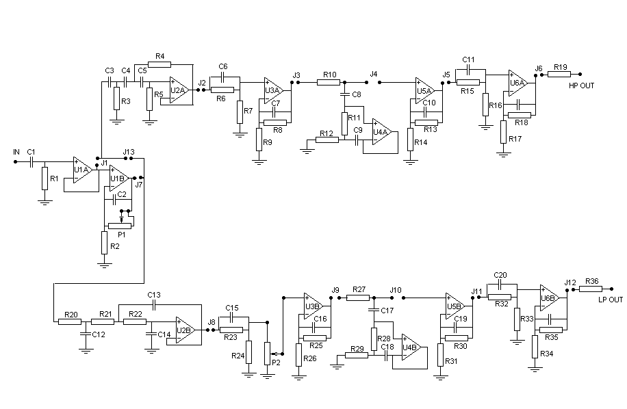
The NaO Mini active crossover and
equalization unit employs all the circuitry
required to combine the Mini panel with
a powered woofer system with built-in
2nd order LP filter. The recommended
woofer amplifier is the MCM 50-6263
200 watt amplifier.
The woofers can also be driver using a
second stereo amplifier with the Mini
active circuits controlling the full low
pass response.
The amplifier used to power the Mini woofers is the MCM
200 watt amplifier, #50-6263. The unit has continuous
phase adjustment (0 to 180 degrees), level control and
adjustable crossover frequency, 40 to 120 Hz. For those
demanding greater power, the MCM 50-6262, 300 watt
plate amplifier is recommended.